
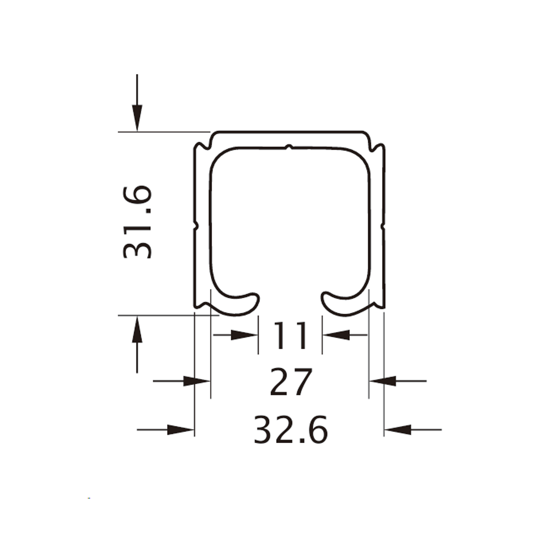
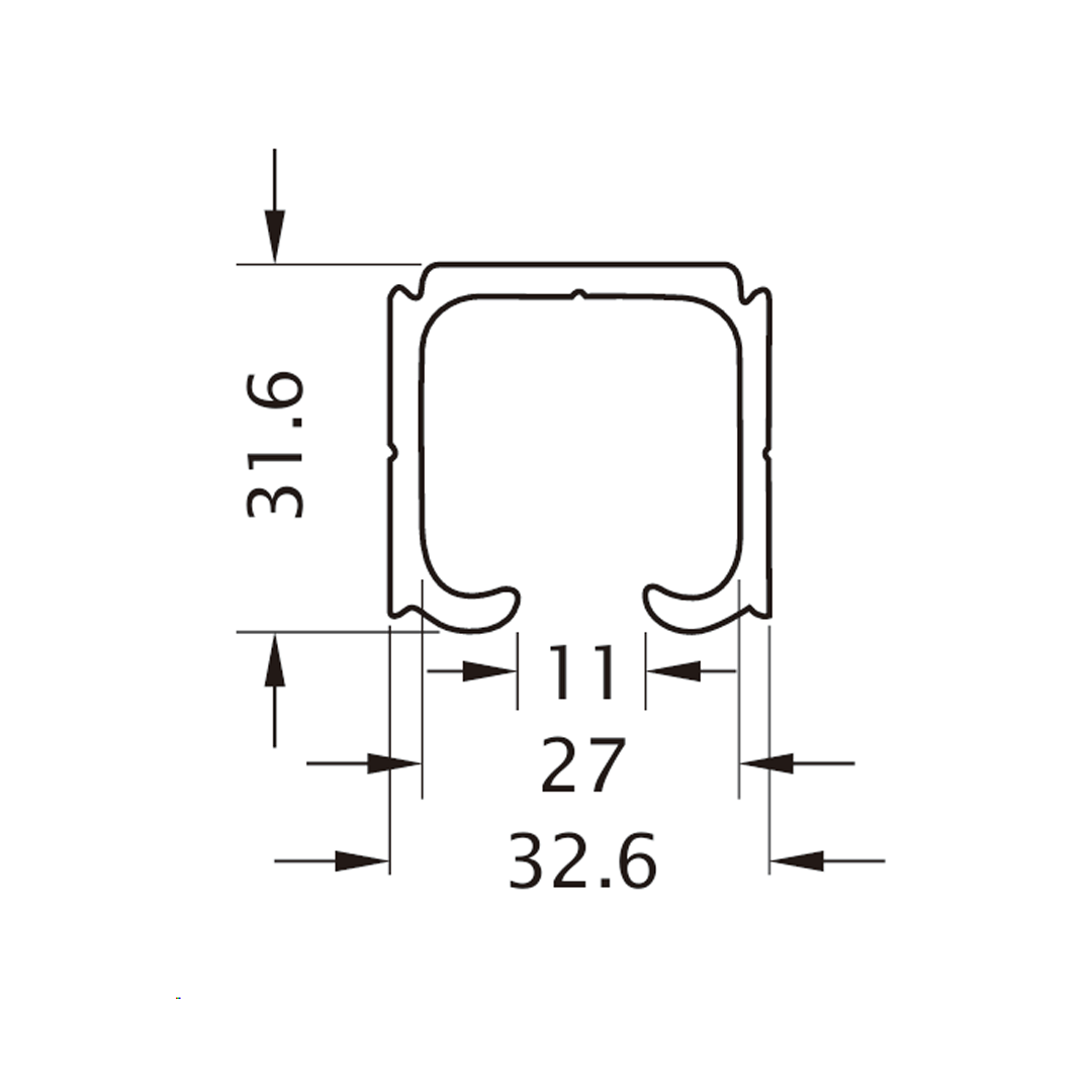
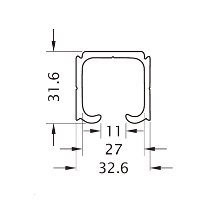
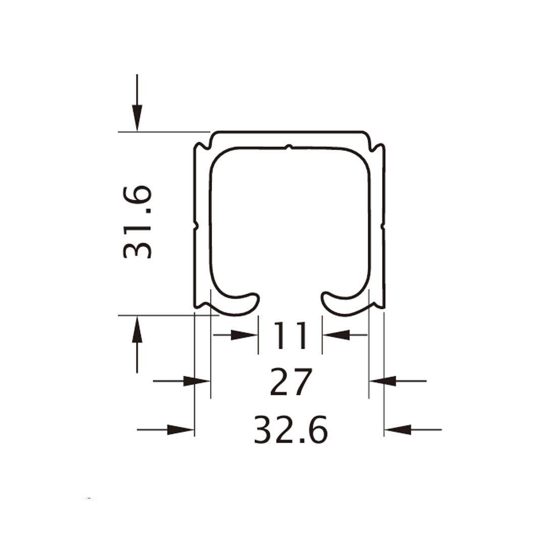
Anodized Aluminum sliding track with a silver finish, precision-engineered for smooth and reliable door operation with minimal friction; features a rigid, corrosion-resistant construction measuring 32.6 mm (W) × 31.6 mm (H), compatible with Series 110 and similar systems, and ideal for easy overhead or wall-mounted installation in residential or commercial sliding door applications.