
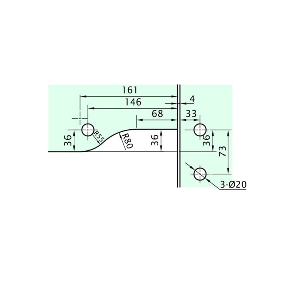
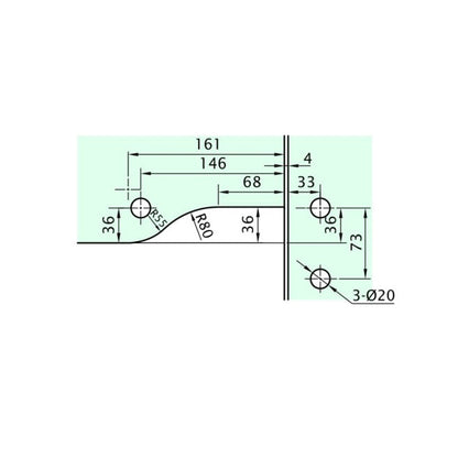
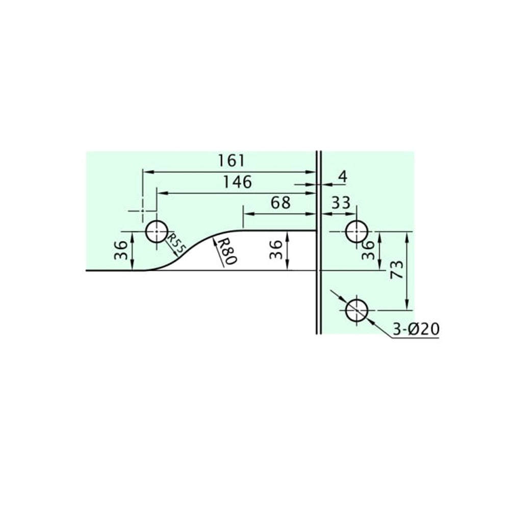
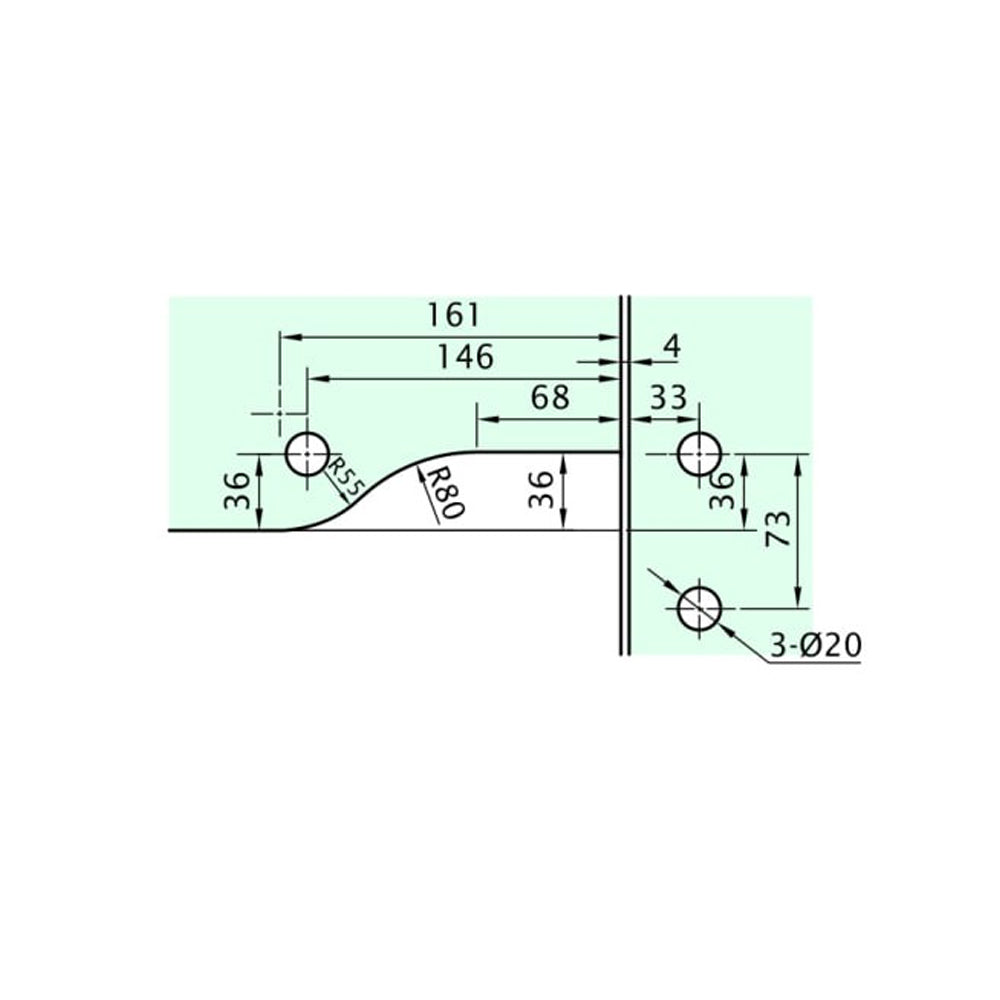
- Stainless steel door patch, over glass corner fitting with pivot connection, suitable for connecting glass swing doors.
- Zinc alloy/aluminum diecast body.
- Glass thickness: 10mm-12mm
- Strong construction, suitable for door systems up to a maximum of 130kg.
- Glass doors will require professional drilling at manufacture stage to accept this corner pivot door patch fitting.
- Finish: Satin Nickel Plated