
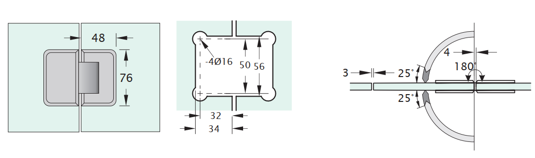
Glass-to-Glass 180° Shower Hinge Satin Nickel
heavy-duty brass hinge designed to connect a shower door to a fixed sidelight panel. It features smooth self-centering within 25° of closed and supports 6–8 mm tempered glass panels up to 700 mm wide and 35 kg (using two hinges). With its durable finish, it ensures strength, stability, and a refined look for modern enclosures.
(Pack includes 1 hinge — sold individually, not as a pair.)